Kenmore Series 80 Dryer Repair Help Learn How to Fix It Yourself.

Kenmore Dryer Model Numbers. Kenmore Series 700 Clothes Dryer Manual A lot goes into decoding the numbers in a Kenmore model Enter your model number in the search bar below to access Kenmore appliance manuals and resources

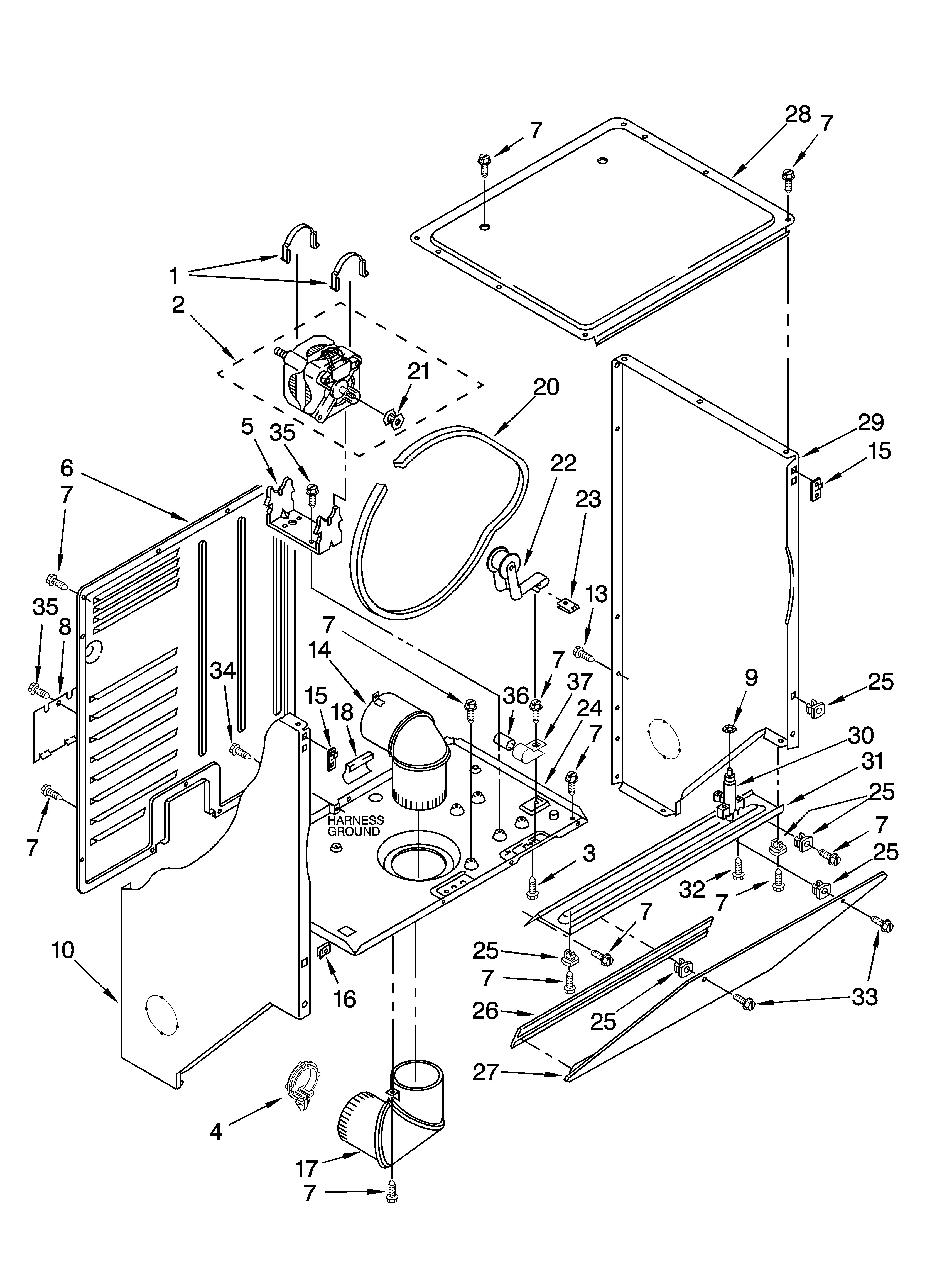
12 Incredible Kenmore Dryer Parts Model 110 For 2023 Storables
12 Incredible Kenmore Dryer Parts Model 110 For 2023 Storables from storables.com

Sears / Kenmore Model Number 103 / 278 / 647 / 835 / 911 / 917 A Sears / Kenmore appliance that has a model number starting with 103, 278, 647, 835, 911 or 917 was manufactured by Roper

12 Incredible Kenmore Dryer Parts Model 110 For 2023 Storables

A lot goes into decoding the numbers in a Kenmore model Lastly, make sure to check our Repair Help section which gives free troubleshooting advice and step-by-step video instructions for replacing a variety of Kenmore Dryer parts How to Locate the Model Number on a Kenmore Appliance

I have a Kenmore front loading dryer model number 110.87081601 sn. Enter your model number in the search bar below to access Kenmore appliance manuals and resources Sears / Kenmore Model Number 103 / 278 / 647 / 835 / 911 / 917

How to Determine the Manufacturer of Kenmore Appliances Dengarden. By understanding how to read Kenmore dryer model numbers, you gain the power to decipher their technical specifications, identify the right replacement parts, and maintain your dryer efficiently.This knowledge empowers you to ensure optimal performance and extend the lifespan of your valuable appliance. Kenmore dryer model numbers typically consist of a series of letters and numbers, such as 110.68502990